Evaluación exergética para tecnologías aplicadas a fuentes no convencionales de energía
DOI:
https://doi.org/10.15665/rp.v14i1.645Palabras clave:
Exergoeconomía, Factor Exegoeconómico, Fuentes No Convencionales de EnergíaResumen
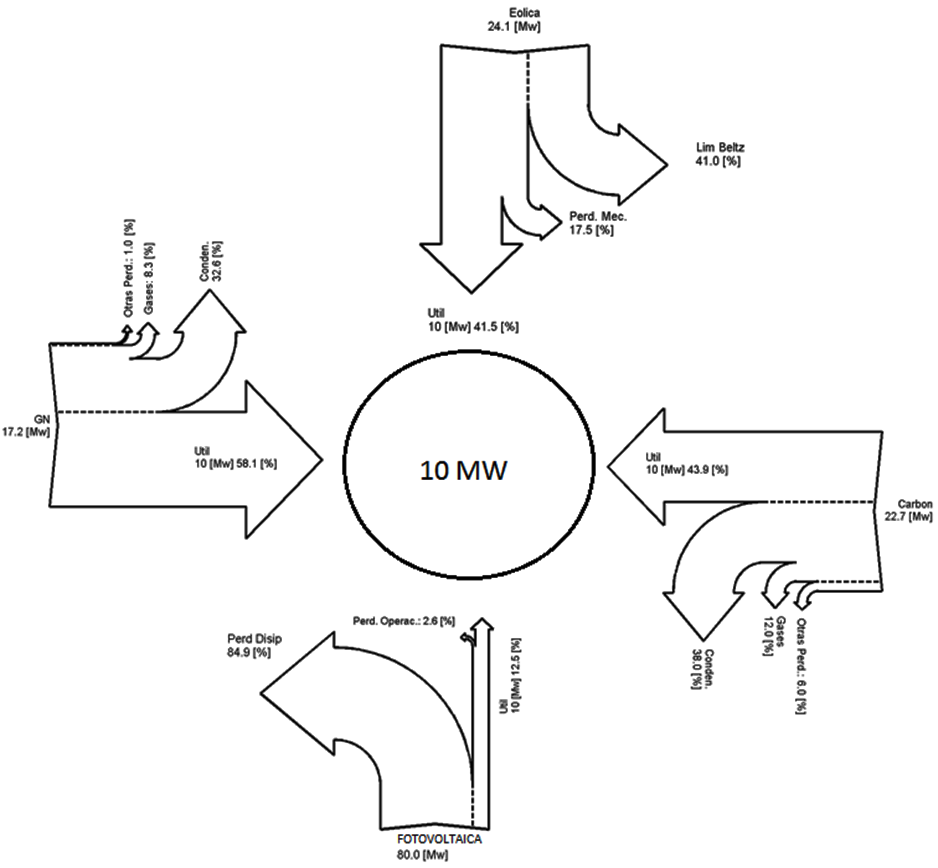
Los principales esfuerzos para la evaluación de sistemas energéticos se han focalizado a tecnologías convencionales, especialmente para sistemas de conversión térmica; con metodologías ampliamente desarrolladas y resultados de interés para los investigadores del área y las comunidades consumidoras. Sin embargo, los sistemas emergentes de energía son especialmente obtenidos de sistemas no térmicos, aprovechando las Fuentes No Convencionales de Energía (FNCE) derivadas de recurso renovable con baja generación residual; es decir, se tiene una amplia metodología de evaluación energética pero no aplica a tecnologías que utilizan recursos renovables.
En este trabajo, se muestra que hay un hilo conductor compatible para la evaluación de sistemas energéticos convencionales, los no convencionales e incluso híbridos. La metodología para evaluar sistemas térmicos parte de la exergía, propiedad energética que se produce de manera independiente al tipo de tecnología de conversión y el recurso energético primario; por lo tanto, fundamentalmente cabe la posibilidad de comparar mediante factores exergoeconómicos diferentes tipos de tecnologías de generación exergética. El resultado principal apuntó a la construcción de un factor teórico que permite involucrar y comparar simultáneamente sistemas energéticos independientemente al recurso requerido. Este factor plantea indicadores de madurez de la tecnología con base en información externa al sistema, aplicada en un mismo entorno para la evaluación.
Referencias
L. García, De la Máquina de Vapor al Cero Absoluto, España: Fondo de Cultura Económica de España, 2011.
B.S. Yilbas, H. Ali, Thermoelectric generator performance analysis: Influence of pin tapering on the first and second law efficiencies, Energy Conversion and Management, 100, 138–146, 2015.
M. Mehrpooyaa, H. Ansarinasab, Exergoeconomic evaluation of single mixed refrigerant natural gas liquefaction processes, Energy Conversion and Management, 99, 400–413, 2015.
E. Açıkkalpa, C. T. Yucerb, A. Hepbaslic, T. H. Karakocd, Advanced low exergoeconomic (ALEXERGO) assessment of a building along with its heating system at various stages, Energy and Buildings, 87 (1), 66–73, 2015.
R. Dong, Y. Yu, Z. Zhang, Simultaneous optimization of integrated heat, mass and pressure exchange network using exergoeconomic method, Applied Energy, 136 (31), 1098–1109, 2014.
M. A. Abido, “Multiobjective Particle Swarm Optimization for Environmental/Economic Dispatch Problem”, Electric Power Systems Research, 79, 1105–1113, 2009.
F. A. Boyaghchi, P. Heidarnejad, Thermoeconomic assessment and multi objective optimization of a solar micro CCHP based on Organic Rankine Cycle for domestic application, Energy Conversion and Management, 97, 224–234, 2015.
R. Padilha, H. Santos, M. Colaço, M. Cruz, “Single and Multi-Objective Optimization of a Cogeneration System Using Hybrid Algorithms”, Heat Transfer Engineering, 30 (1), 37 – 41, 2009.
P. K. Sahoo, “Exergoeconomic Analysis and Optimization of a Cogeneration System Using Evolutionary Programming”, Applied Thermal Engineering, 28 (13), 1580 – 1588, 2008.
D. Paulus, G. Tsatsaronis, “Auxiliary Equations for the Determination of Specific Exergy Revenues”, Energy, 31, 3235 – 3247, 2006.
I. Baldvinsson, T. Nakata, A comparative exergy and exergoeconomic analysis of a residential heat supply system paradigm of Japan and local source based district heating system using SPECO (specific exergy cost) method, Energy, 74 (1), 537–554, 2014.
M. J. Bastidas, R. Bermúdez, G. P. Jaramillo, F. Chejne, “Optimización Termoeconómica y Ambiental usando Algoritmos Genéticos Multiobjetivo”, Información Tecnológica., 21(4), 35 – 44, 2010.
L. Romero Lozano, Organización y Supervisión del Aprovisionamiento y Montaje de Instalaciones de Energía Eólica, Madrid: Ediciones Paraninfo, 2012.
http://www.xm.com.co/Pages/Home.aspx. (Consultado September de 2015).
http://www.nordex-online.com/fileadmin/MEDIA/Produktinfos/EN/Nordex_N60_EN.pdf (Consultado Septiembre de 2015).
http://www.ewh.ieee.org/soc/pes/spain/sabugal1.pdf (consultado septiembre de 2015).
N. Proenza, E. Blanco, D. Travieso, J. Roberts, J. Santana, J. Silveira. Biomass gasification for combined heat and power generation in the Cuban context: Energetic and economic analysis. Applied Thermal Engineering, 90, 1-12, 2015.
J. Wang, T. Mao. Cost allocation and sensitivity analysis of multi-products from biomass gasification combined cooling heating and power system based on the exergoeconomic methodology. Energy Conversion and Management, 105, 230-239, 2015.
J. Ferichola. Caracterización de módulos fotovoltaicos con dispositivo portátil. Universidad Carlos III. Madrid. España.
D. Lezcano. Estudio exergético para identificar y evaluar potencialidades en energías renovables en el territorio colombiano, para planeamiento energético en periodos futuros. Tesis de Maestria. Universidad Nacional. Medellin. 2011.
M. A. Alkana, A. Keçebaşb, N. Yamankaradenizc, Exergoeconomic analysis of a district heating system for geothermal energy using specific exergy cost method, Energy, 60 (1), 426–434, 2013.
W. De Queiroz, Exergoeconomic methodology applied to energy efficiency analysis of industrial power Transformers, International Journal of Electrical Power & Energy System, 53, 348–356, 2013.
Descargas
Archivos adicionales
Publicado
Número
Sección
Licencia
Los autores/as que publiquen en esta revista aceptan las siguientes condiciones:
- Los autores/as ceden los derechos de autor y dan a la revista el derecho de la primera publicación, con el trabajo registrado con la licencia de atribución de Creative Commons, que permite a terceros utilizar lo publicado siempre que mencionen la autoría del trabajo y a la primera publicación en esta revista.
- Los autores/as pueden realizar otros acuerdos contractuales independientes y adicionales para la distribución no exclusiva de la versión del artículo publicado en esta revista (p. ej., incluirlo en un repositorio institucional o publicarlo en un libro) siempre que indiquen claramente que el trabajo se publicó por primera vez en esta revista.
- Se permite y recomienda a los autores/as a publicar su trabajo en Internet (por ejemplo en páginas institucionales o personales) antes y durante el proceso de revisión y publicación, ya que puede conducir a intercambios productivos y a una mayor y más rápida difusión del trabajo publicado (vea The Effect of Open Access).
Instrucciones para el llenado de la Certificación de Originalidad y la Cesión de Derechos de Autor.
- Haga click aquí y baje el formulario de Certificación de Originalidad y la Cesión de Derechos de Autor.
- En cada uno de los campos para rellenar haga click y complete lo correspondiente.
- Una vez llenos los campos, copie al final su firma escaneada o firma digital. Favor ajustar el tamaño de la firma en el formulario.
- Finalmente, lo puede guardar como pdf y enviarlo a través de la palataforma OJS, como archivo complementario.
Si tiene dudas contáctenos, por favor.
