Medidor electrónico interactivo de consumo de energía eléctrica para uso residencial

Autores/as

  • Edwin Andrés Quintero Salazar Universidad Tecnológica de Pereira image/svg+xml

DOI:

https://doi.org/10.15665/rp.v14i1.639

Palabras clave:

Medidor de energía eléctrica, Lectura automática del medidor (AMR), Energía activa, Medidores inteligentes.

Resumen

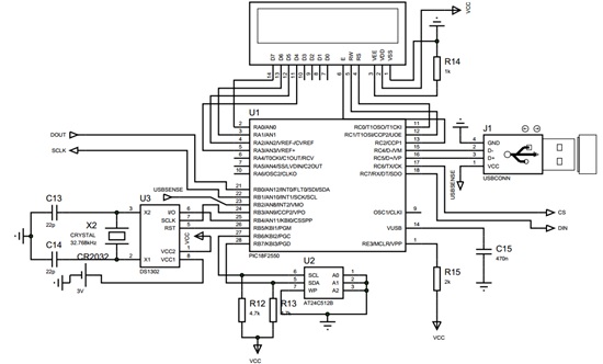
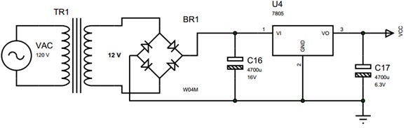
En este artículo se presenta el desarrollo de un medidor electrónico interactivo de energía eléctrica para uso residencial, que brinda al usuario final la posibilidad de conocer el comportamiento del consumo de energía en su domicilio. El equipo construido involucra al circuito integrado ADE7753 de Analog Devices como módulo central para la medición electrónica del consumo de energía, así como al microcontrolador PIC18F2550 de Microchip para la configuración y calibración del ADE7753 y el control y procesamiento de los datos. El sistema cuenta con un visualizador y una interfaz gráfica de usuario que a través de comunicación USB permite controlar el tiempo de los períodos de facturación, llevar el respaldo de la información procesada, visualizar el consumo actual en tiempo real, generar un histórico del consumo, y calcular el costo aproximado de la energía activa registrada. Con el fin de validar el comportamiento del sistema, se realizaron pruebas de campo y laboratorio para diferentes cargas y tiempos de medición, y utilizando como equipo patrón un medidor de energía eléctrica calibrado previamente por INELCA S.A, obteniéndose un error porcentual promedio de 0.09940% en la energía medida.

Referencias

M. Venables, "Smart Meters Make Smart Consumers [Analysis]”, Engineering & Technology, 2(4), 23, 2007.

P. A. V. Loss, M. M. Lamego, G. C. D. Sousa, J. L. F. Vieira, “A single phase microcontroller based energy meter”, Instrumentation and Measurement Technology Conference. IMTC/98. Conference Proceedings. IEEE, 2, 18-21, 1998.

P. Corral, B. Coronado, A. C. De Castro Lima, O. Ludwig, "Design of Automatic Meter Reading based on Zigbee", Latin America Transactions, IEEE, Revista IEEE America Latina, 10(1), 1150-1155, 2012.

E. O'Driscoll, G. E. O'Donnell, “Industrial power and energy metering–a state-of-the-art review”, Journal of Cleaner Production, 41, 53-64, 2013.

A. Kavousian, R. Rajagopal, M. Fischer, “Determinants of residential electricity consumption: Using smart meter data to examine the effect of climate, building characteristics, appliance stock, and occupants behavior”, Energy, 55, 184-194, 2013.

W. Gans, A. Alberini, A. Longo, “Smart meter devices and the effect of feedback on residential electricity consumption: Evidence from a natural experiment in Northern Ireland”, Energy Economics, 36, 729-743, 2013.

Analog Devices Inc. (2010), Data sheet ADE7753: Single – Phase Multifunction Metering IC with di/dt Sensor Interface. [On Line], p. 1 – 60. Disponible desde <http://www.analog.com/media/en/technical-documentation/data-sheets/ADE7753.pdf> [Acceso 10 de agosto de 2014].

Microchip Technology Inc. (2004), Data sheet PIC18F2455/2550/4455/4550: 28/40/44-Pin, High-Performance, Enhanced Flash, USB Microcontrollers with nano Watt Technology. [On Line], p. 1- 426. Disponible desde <http://ww1.microchip.com/downloads/en/DeviceDoc/39632b.pdf>. [Acceso 5 de junio de 2014].

Atmel Corporation. (2007), Data sheet AT24C512: Two-wire Serial EEPROM. [On Line], p. 1 – 22- Disponible desde <http://www.atmel.com/Images/doc1116.pdf>. [Acceso 10 de junio de 2014].

Maxim Integrated Products. (2013), Data sheet DS1302: Trickle-Charge Timekeeping Chip. [On Line], p. 1- 13. Disponible desde <http://datasheets.maximintegrated.com/en/ds/DS1302.pdf>. [Acceso 20 de junio de 2014].

Shenzhen Eone Electronics Co. (2005), Specification for LCD Module 1602A-1 (V1.2). [On Line], p. 1 -12. Disponible desde <https://www.openhacks.com/uploadsproductos/eone-1602a1.pdf>. [Acceso 30 de junio de 2014].

Descargas

Publicado

2016-02-26

Número

Sección

Articles