Medidor electrónico interactivo de consumo de energía eléctrica para uso residencial
DOI:
https://doi.org/10.15665/rp.v14i1.639Keywords:
Medidor de energía eléctrica, Lectura automática del medidor (AMR), Energía activa, Medidores inteligentes.Abstract
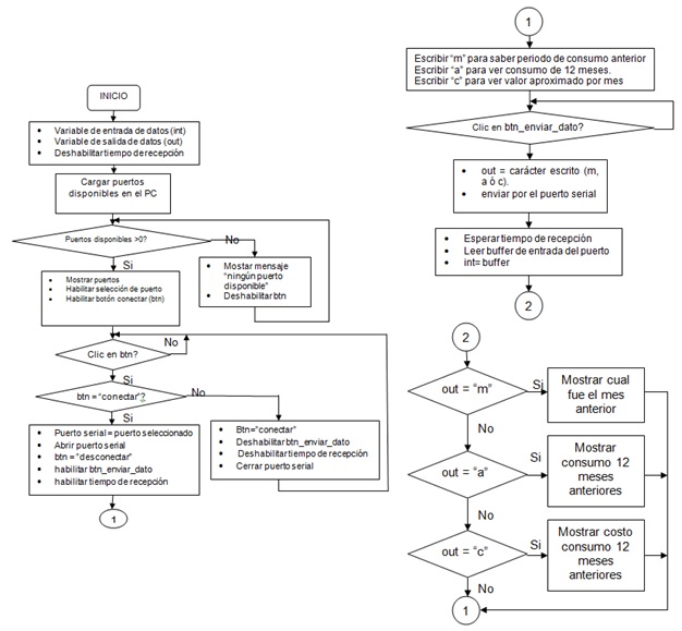
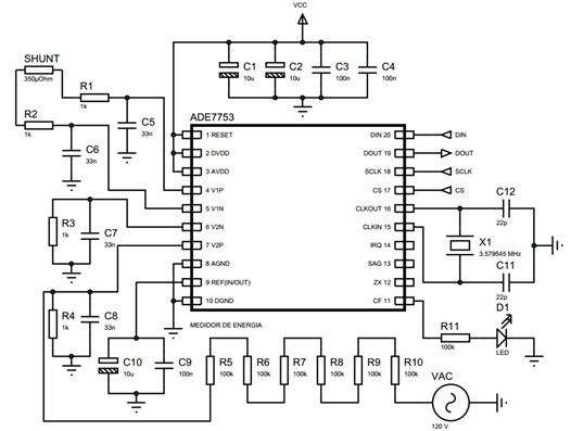
En este artículo se presenta el desarrollo de un medidor electrónico interactivo de energía eléctrica para uso residencial, que brinda al usuario final la posibilidad de conocer el comportamiento del consumo de energía en su domicilio. El equipo construido involucra al circuito integrado ADE7753 de Analog Devices como módulo central para la medición electrónica del consumo de energía, así como al microcontrolador PIC18F2550 de Microchip para la configuración y calibración del ADE7753 y el control y procesamiento de los datos. El sistema cuenta con un visualizador y una interfaz gráfica de usuario que a través de comunicación USB permite controlar el tiempo de los períodos de facturación, llevar el respaldo de la información procesada, visualizar el consumo actual en tiempo real, generar un histórico del consumo, y calcular el costo aproximado de la energía activa registrada. Con el fin de validar el comportamiento del sistema, se realizaron pruebas de campo y laboratorio para diferentes cargas y tiempos de medición, y utilizando como equipo patrón un medidor de energía eléctrica calibrado previamente por INELCA S.A, obteniéndose un error porcentual promedio de 0.09940% en la energía medida.
References
M. Venables, "Smart Meters Make Smart Consumers [Analysis]”, Engineering & Technology, 2(4), 23, 2007.
P. A. V. Loss, M. M. Lamego, G. C. D. Sousa, J. L. F. Vieira, “A single phase microcontroller based energy meter”, Instrumentation and Measurement Technology Conference. IMTC/98. Conference Proceedings. IEEE, 2, 18-21, 1998.
P. Corral, B. Coronado, A. C. De Castro Lima, O. Ludwig, "Design of Automatic Meter Reading based on Zigbee", Latin America Transactions, IEEE, Revista IEEE America Latina, 10(1), 1150-1155, 2012.
E. O'Driscoll, G. E. O'Donnell, “Industrial power and energy metering–a state-of-the-art review”, Journal of Cleaner Production, 41, 53-64, 2013.
A. Kavousian, R. Rajagopal, M. Fischer, “Determinants of residential electricity consumption: Using smart meter data to examine the effect of climate, building characteristics, appliance stock, and occupants behavior”, Energy, 55, 184-194, 2013.
W. Gans, A. Alberini, A. Longo, “Smart meter devices and the effect of feedback on residential electricity consumption: Evidence from a natural experiment in Northern Ireland”, Energy Economics, 36, 729-743, 2013.
Analog Devices Inc. (2010), Data sheet ADE7753: Single – Phase Multifunction Metering IC with di/dt Sensor Interface. [On Line], p. 1 – 60. Disponible desde <http://www.analog.com/media/en/technical-documentation/data-sheets/ADE7753.pdf> [Acceso 10 de agosto de 2014].
Microchip Technology Inc. (2004), Data sheet PIC18F2455/2550/4455/4550: 28/40/44-Pin, High-Performance, Enhanced Flash, USB Microcontrollers with nano Watt Technology. [On Line], p. 1- 426. Disponible desde <http://ww1.microchip.com/downloads/en/DeviceDoc/39632b.pdf>. [Acceso 5 de junio de 2014].
Atmel Corporation. (2007), Data sheet AT24C512: Two-wire Serial EEPROM. [On Line], p. 1 – 22- Disponible desde <http://www.atmel.com/Images/doc1116.pdf>. [Acceso 10 de junio de 2014].
Maxim Integrated Products. (2013), Data sheet DS1302: Trickle-Charge Timekeeping Chip. [On Line], p. 1- 13. Disponible desde <http://datasheets.maximintegrated.com/en/ds/DS1302.pdf>. [Acceso 20 de junio de 2014].
Shenzhen Eone Electronics Co. (2005), Specification for LCD Module 1602A-1 (V1.2). [On Line], p. 1 -12. Disponible desde <https://www.openhacks.com/uploadsproductos/eone-1602a1.pdf>. [Acceso 30 de junio de 2014].
Downloads
Additional Files
- Cesión de Derechos (Spanish)
- Figura 1 (Spanish)
- Figura 2 (Spanish)
- Figura 3 (Spanish)
- Figura 4 (Spanish)
- Figura 5 (Spanish)
- Figura 6 (Spanish)
- Figura 7 (Spanish)
- Figura 8 (Spanish)
- Figura 9 (Spanish)
- Figura 10 (Spanish)
- Figura 11 (Spanish)
- Figura 12 (Spanish)
- Figura 13 (Spanish)
- Figura 14 (Spanish)
- Tabla 1 (Spanish)
- Tabla 2 (Spanish)
- Tabla 3 (Spanish)
Published
Issue
Section
License
The authors to publish in this journal agree to the following conditions:
- The authors transfer the copyright and give the the journal first publication right of the work registered with Creative Commons Attribution License, which allows third parties to use the published work on the condition of always mentioning the authorship and first publication in this journal.
- The authors may perform other independent and additional contractual arrangements for the non-exclusive distribution of the version of the article published in this issue (E.g., Inclusion in an institutional repository or publication in a book), it must be indicated clearly that the work was first published in this journal.
- It allows and encourages the authors to publish their work online (eg institutional or personal pages) before and during the review and publication process. It can lead to productive exchanges and greater and faster dissemination of the published work (see The Effect of Open Access)
Instructions to fill out Certificate of Originality and Copyright Assignment
- Click here and get the forms of Certificate of Originality and Copyright Assignment .
- In each field to fill out, click and complete the corresponding information.
- Once the fields are filled out, at the end of the form copy your scanned signature or digital signature. Please adjust the size of the signature on the form.
- Finally, you can save them as pdf files and send them through the OJS platform as an attachment.
